KKtrips Posted September 5, 2016 Posted September 5, 2016 I hope I didn't fuck any of the flow up. If you need help moving stuff around then let me know. Ta Quote
Dell'orto Posted September 5, 2016 Posted September 5, 2016 Mind = blown. What a crazy awesome project. 1 Quote
Lothar Posted September 5, 2016 Posted September 5, 2016 That is some awesome work buddy. Bit of a head fuck for me as to how it all works but much respect for your work and dedication! Linked the thread to some of the car guys at work. You have some fans here in the UK. Quote
xygtho Posted September 5, 2016 Posted September 5, 2016 First thing I've looked at this morning. I'm blown away! So cool Quote
~Slideways~ Posted September 6, 2016 Posted September 6, 2016 It's been said a few times now, but...wow. holy. fucking. wow. 1 Quote
Lord Gruntfuttock Posted September 6, 2016 Posted September 6, 2016 Seriously impressed here too. Will watch with interest... Quote
HighLUX Posted September 6, 2016 Posted September 6, 2016 Fuuuuuuu this is beyond any skill level I could ever dream of having. Are you going to make your own gearbox and diff to go with it? Quote
RUNAMUCK Posted September 6, 2016 Posted September 6, 2016 How do you press in the hardened valve seats? Even cutting them in? How did they do it way back in the day? Quote
Not-a-number Posted September 6, 2016 Posted September 6, 2016 Fuuuuuuu this is beyond any skill level I could ever dream of having. Are you going to make your own gearbox and diff to go with it? Plan is to use as many parts from other engines/cars as I can. So would use internals from another gearbox and cast a housing to suit to make it look legit. Diff is a bit harder because its not like a regular diff. Havnt really looked too hard into that side of it. Many years away! 1 Quote
Bombsquad Posted September 6, 2016 Posted September 6, 2016 Im pretty good with motors/machine work/figuring shit out and im pretty sure I only grasp about 25% of what youve achieved there.. You sir, are what the world needs more of. 2 Quote
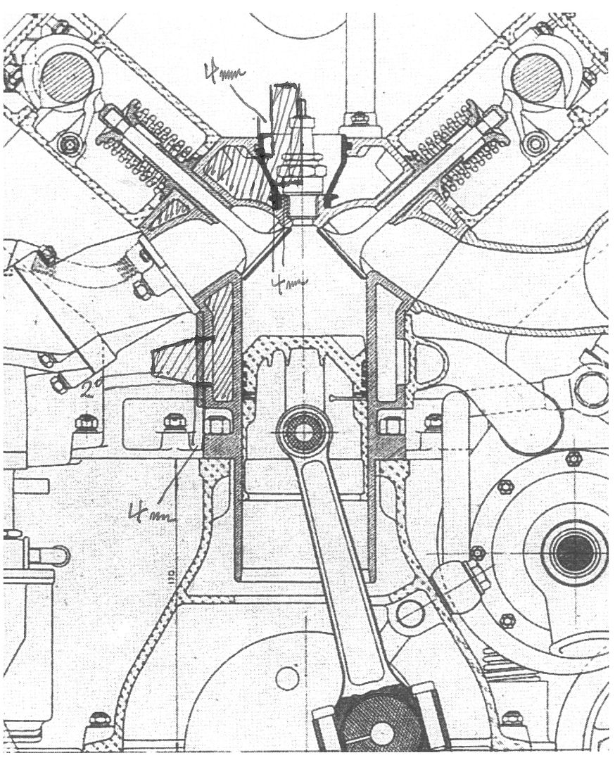
Not-a-number Posted September 6, 2016 Posted September 6, 2016 How do you press in the hardened valve seats? Even cutting them in? How did they do it way back in the day? Its cast iron so dont really need hardened seats. Your crossflow lasts 100,000+ miles without them. So thats like 100 years bugatti driving! Crank would break before the seats woreout anyway! You use a reverse seat cutter. Valve guides are really big diameter, so you feed the cutter in through the bore, push the guide in from the outside and then cut back with a spacer to the base of the guide. If that makes sense . Assemble the valves like that too and the valve springs hold the guide in. This gives you a better idea. A lot of plane engines are like this. 2 Quote
tortron Posted September 6, 2016 Posted September 6, 2016 What kind of crank bearings will go in this? Original (roller bearings?) Or is there room for improvement? Quote
BobbyBreeze Posted September 6, 2016 Posted September 6, 2016 They were roller, bearings alone are like $20k and don't last long so many convert to conventional plain bearing if they are used often. Whats the plan with the valvetrain? Planning finger followers like the original? Also are you planning to run the original firing order or run the more modern inline 8 firing order? I believe the Pursang cars run the modern firing order which is apparently a lot smoother. Can't wait to see how you tackle that front axle...! 3 Quote
Not-a-number Posted September 6, 2016 Posted September 6, 2016 What kind of crank bearings will go in this? Original (roller bearings?) Or is there room for improvement? Luckily these wernt roller bearing crank. They are babbitt/white metal bearings. So I will just use shell bearings. The T35 is the one with the roller bearing crank. And yeah they last 10000miles and cost 10s of thousands to rebuild so ive heard. They were roller, bearings alone are like $20k and don't last long so many convert to conventional plain bearing if they are used often. Whats the plan with the valvetrain? Planning finger followers like the original? Also are you planning to run the original firing order or run the more modern inline 8 firing order? I believe the Pursang cars run the modern firing order which is apparently a lot smoother. Can't wait to see how you tackle that front axle...! The T57 is the saloon car. Lots a variants and would be the most common bugatti engine/car. Ralph Laurens $40m Atlantic has this engine. Crank is 2-4-2 with 1, 6, 2, 5, 8, 3, 7, 4 firing order. The T59 is the GP car which essentially took the 57 engine and hotted it up. 3.3L fixedhead, twin cam, supercharged, drysump, straight 8. 230Hp (i find it strangely satisfying saying that sentence!) Big difference was the crank was 4-4 with a different firing order. These ran really rough, didnt rev very high, broke cranks and didnt make any more power. So im going for a T57 engine since there is a lot more info on it. More likely to get hold of genuine parts (which ive got now) and a higher chance of someone wanting to buy some parts. 7 Quote
Bluebird_U Posted September 7, 2016 Posted September 7, 2016 We're not worthy!!! If I didnt need a job then id see if you needed someone to sweep up sand just to see such great work. I have seen another thread about casting an ali head but this just goes up another level with iron to make it that bit harder. Great work and good to see it being done in NZ. Thank you for sharing. 2 Quote
xsspeed Posted September 7, 2016 Posted September 7, 2016 Did rookie dave suggest your username? 1 Quote
Not-a-number Posted September 7, 2016 Posted September 7, 2016 Did rookie dave suggest your username? Not a chance! Quote
Recommended Posts
Join the conversation
You can post now and register later. If you have an account, sign in now to post with your account.