Rhyscar Posted September 8, 2023 Posted September 8, 2023 So firstly, I know almost nothing about injectors and fuel rails. All the cars I’ve owned run factory setups so I need to learn something new here. This is for my 2zz racecar. NA modest power, nothing special. I’m wanting to use a Bosch EV14 injector for improved atomisation, and because the factory setup looks terrible/injectors I have are completely unknown. A while ago I bought some fuel rail extrusion thinking once I saw it the puzzle would make sense and everything click into place… and I’m still stumped. 1. Is there a drawing/sketch showing the injector/rail interface point, tolerances and required seals? 2. When ordering injectors are there different seal/extension options to standard sizes? Are they brand specific? 3. I saw a thing on YouTube with a stepped drill with correct step. Are these needed/where to buy? Would be great if I could do all this at home with a welder and drill press but happy to get stuff milled if needed. Factory these systems are non return, but I’ll be returning back to fuel tank. Thanks in advance for your help!! Quote
Rhyscar Posted September 8, 2023 Author Posted September 8, 2023 This is what the intake looks like. Should have sufficient space.. Quote
mjrstar Posted September 8, 2023 Posted September 8, 2023 I feel the surface finish from a milling cutter and rigid clamping arrangement is going to be optimal over simply drilling the bore for the injector orings to seal against, even though it's only aluminium. Do you just want some pics and dimensions from a stock type aluminium fuel rail to compare? I probably have an old Evo fuel rail here you could borrow/take a look at? also I'd probably consider getting it anodised once it's completed just for the surface hardness and corrosion resistance.. Edit yes there is sleeve style adapters for stepping up the injector fitting, I'd suggest avoiding these if possible, we used some on my mates 2jz supra, and even the smallest angular misalignment caused a fuel weep situation. This sort of crap. https://www.efihardware.com/products/c354/Fuel-Injector-Height-Adapters Quote
Rhyscar Posted September 8, 2023 Author Posted September 8, 2023 Yeah having it leak would suck so wanting to do it properly. I’ll try to clarify my question Is the hole you need to drill a standard size for most injectors or are they brand specific? Also, which orientation does the extrusion need to be drilled in? I’m guessing the beefy side but seemed weird it’s offset/not central to the hollow section? trying to figure all this out before I order injectors so I get all the right bits with them first time round. Quote
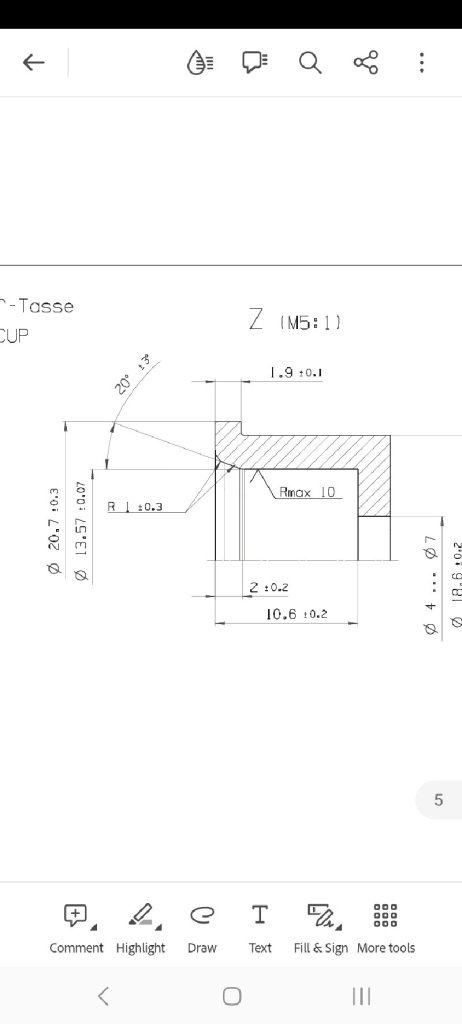
mjrstar Posted September 8, 2023 Posted September 8, 2023 Bosch pdf suggests 14% crush on the oring and less than 1 degree from centreline. Maybe you start your drilling operations after you have the injector.. I think 11 and 14 are the 2 most common rail fitting diameter which probably equates to a something like a 10.5 or 13.5mm hole respectively. Data sheet Injection Valve EV 14 (short and long options if that's your weapon of choice) - Bosch Motorsport https://www.bosch-motorsport.com/content/downloads/Raceparts/Resources/pdf/Data Sheet_67797771_Injection_Valve_EV_14.pdf Yeah you'd definitely drill the beefy side, although the rail extrusion I got wasn't offset it was symmetrical. 2 Quote
RXFORD Posted September 8, 2023 Posted September 8, 2023 Motorsport Electronics sell the symmetrical type fuel rail. It looks a bit nicer than the offset style. From memory it has a bigger bore too which is the correct size for threading. (Its been a while so I've forgotten what thread) Drilling 0.1 undersize then wrapping a bit of red/grey scotch pad around a small drillbit is a good way to polish the bores of the drilled holes. The injector will dictate the mounting height and type of seal. 2 Quote
Rhyscar Posted September 9, 2023 Author Posted September 9, 2023 46 minutes ago, mjrstar said: Data sheet Injection Valve EV 14 (short and long options if that's your weapon of choice) - Bosch Motorsport https://www.bosch-motorsport.com/content/downloads/Raceparts/Resources/pdf/Data Sheet_67797771_Injection_Valve_EV_14.pdf Thanks heaps, I should have looked at the data sheet first it’s been years since I checked it out. Definitely sounds like a milling job ah ok that makes sense about fuel rail extrusion differences. Quote
kpr Posted September 9, 2023 Posted September 9, 2023 Ive done 2 with that same extrusion and injectors. both in drill press. pretty sure i done the same thing as @RXFORD suggested for the finish. no idea what drill size i used. just used a countersink tool for the entry taper. probably isnt the ideal angle but fine unless you hamfist it 1 1 Quote
Rhyscar Posted September 9, 2023 Author Posted September 9, 2023 Thanks @kpr sounds like it’s worth a go at home. I’ve got 1m of it so can have a second go if I screw it up 1 Quote
mjrstar Posted September 9, 2023 Posted September 9, 2023 The scotch pad polish option does sound like a nice idea to improve the surface finish on the holes.. Quote
Stu Posted September 14, 2023 Posted September 14, 2023 Same deal as KPR, have done a few using that extrusion and did it at home. Quote
Recommended Posts
Join the conversation
You can post now and register later. If you have an account, sign in now to post with your account.